口徑規格(ge) : | DN15~1200,NPS1''~28'' |
壓力范圍 : | PN1.6~48Mpa,Class150~2500lb |
機體材(cai)料 : | 25#碳鋼 |
閥門類型(xing) : | 閘閥(fa)(fa)、球閥(fa)(fa)、截止(zhi)閥(fa)(fa)、止(zhi)回閥(fa)(fa) |
驅動(dong)操(cao)作 : | 液壓驅(qu)動、PLC電腦控制、按(an)鈕(niu)控制 |
連接方(fang)式(shi) : | 法蘭式 |
榮獲證書(shu) : | 新產品、國家專(zhuan)利等 |
1、概述
JWZ型閥門液壓測試臺是我公司在積累多年生產閥門檢測設備技術的基礎上按照國家GB/T1 3927 — 92《通用閥門壓力試驗》和ZBJl6006-90《閥門的試驗與檢測》的標準規范要求,自主研發的新一代抱壓式液壓閥門測試臺并擁有國家技術專利知識產權,專利號ZL2016 1 0240324.1。
本機集機電、液壓、試壓、液體介質貯存循環使用于一體,具有功能完善、性能穩定、自動化程度高等特點。廣泛用于公稱通徑DNl 5-1000mm的直通式法蘭及螺紋連接各類高、中、低壓閥門的強度、密封和泄漏量等各項性能測試。測試介質:水、氣、油。最高密封試驗壓力 32.0MPa,強度48 0MPa。
該機全過程由液壓傳動,電器控制,對被試閥門無任何附加影響試驗結果的外力。極大地提高工作效率和減輕勞動強度,本設備廣泛用于閥門制造業和石油、石化、核電、化工等使用、閥門維修部門等單位的一種先進理想的、閥門維修試驗設備。
2、工作原理及結構
JWZ型測試臺采用以閥門法蘭端面定位,活動反爪夾緊法蘭背面的裝夾方法進行工作。對被測閥門無附加影響測試結果的外力,符合國家標準規定的閥門壓力測試要求。
本(ben)機(ji)(ji)結(jie)構(gou)(gou)(gou)大(da)致可分為液壓系(xi)(xi)統、電器控(kong)制系(xi)(xi)統、左右(you)工(gong)作臺活動夾(jia)爪(zhua)和(he)液動供壓裝(zhuang)(zhuang)置及介(jie)質(zhi)循(xun)環(huan)系(xi)(xi)統等(deng)部(bu)件組成(cheng)。右(you)邊(bian)工(gong)作臺設有夾(jia)緊(jin)機(ji)(ji)構(gou)(gou)(gou)和(he) 90度翻轉機(ji)(ji)構(gou)(gou)(gou),夾(jia)緊(jin)機(ji)(ji)構(gou)(gou)(gou)由夾(jia)爪(zhua)的(de)(de)夾(jia)緊(jin)裝(zhuang)(zhuang)置和(he)徑(jing)(jing)向移(yi)動裝(zhuang)(zhuang)置組成(cheng),夾(jia)爪(zhua)的(de)(de)夾(jia)緊(jin)裝(zhuang)(zhuang)置是(shi)(shi)采用(yong)各(ge)(ge)油缸直接(jie)驅(qu)動來實(shi)現,使各(ge)(ge)爪(zhua)受力均勻,夾(jia)緊(jin)可靠。夾(jia)爪(zhua)的(de)(de)徑(jing)(jing)向移(yi)動裝(zhuang)(zhuang)置是(shi)(shi)采用(yong)杠桿式(shi)結(jie)構(gou)(gou)(gou),實(shi)現了各(ge)(ge)爪(zhua)徑(jing)(jing)向同(tong)步移(yi)動。左邊(bian)工(gong)作臺可自動進退(tui)。并(bing)具有性(xing)能(neng)好,結(jie)構(gou)(gou)(gou)簡單緊(jin)湊等(deng)特點。液壓電器控(kong)制系(xi)(xi)統 (詳見液壓和(he)電器原理(li)圖)安(an)裝(zhuang)(zhuang)在底層固定架(jia)內(nei),是(shi)(shi)測試臺的(de)(de)控(kong)制部(bu)分,在與(yu)電器聯合控(kong)制下(xia)使各(ge)(ge)機(ji)(ji)構(gou)(gou)(gou)能(neng)協調(diao)動作,滿足測試程序(xu)要求(qiu)。
3、使用注意事項和要求
一、設備安裝:校好設備安置水平或用混凝土固定底腳螺栓。
二、選用N32—46#普通液壓油,N32—46#抗磨液壓油或20—30#機械油,注入油箱,油量不能低于油位計下限。
三、接通電源,按油泵啟動按鈕,檢查電機轉動方向,是否正確(順時針方向)進行5—1 O分鐘空載運轉后,調節油泵壓力在5 0MPa進行試機,各種動作,檢查各管路有無泄漏,發現不良現象,應立即停機排除。
四、試驗的介質:水具有方便,不污染環境等優點,因而應用廣泛,要確保對被試閥門不會腐蝕及在測試機介質要求所需要。在水箱中,添加防銹劑或者常用油作試驗介質。
五、測試閥門時,首先根據被試閥門試驗壓力,要求參照《壓緊油缸所需壓力對照表》中液壓壓緊系統壓力值,進行增壓壓力調節,嚴禁增壓壓力值超高、防止被試閥門變形損壞。
六、液壓供壓水泵開始工作前,先調節好電接點壓力表與被試驗閥門壓力相同,然后進行工作。
鑄鐵閥門不得用錘擊,閥門在試驗中,操作人員應注意安全,正確使用,特別注意測試鑄鐵閥門時介質壓力過高破損,閥門試驗完畢,應將閥門內壓力排盡后才可放松軸向壓機。
七、壓力試驗裝置的壓力表必須經當地計量部門鑒定合格其合格證應在有效期內,壓力表的量程不能低于測試壓力15倍,精度不低于 1.5級。
八、注意事項
1測試臺工作面應保持干凈、清潔、被試閥門的法蘭與密封盤,不允許有其定雜物,時刻檢查O形國損壞。
2.測試臺各部件的活動處,要經常加油,保持清潔潤滑使用。
3,液壓(ya)油(you)(you)(you)要定期檢(jian)查、更(geng)換(huan)對新(xin)(xin)投入使(shi)(shi)用的(de)設備(bei),使(shi)(shi)3個月既清(qing)洗(xi)油(you)(you)(you)箱,更(geng)換(huan)新(xin)(xin)油(you)(you)(you),以后每隔一(yi)年(nian)進(jin)行清(qing)洗(xi)和更(geng)換(huan)一(yi)次(ci),油(you)(you)(you)量不能低(di)于(yu)油(you)(you)(you)位計的(de)下限,油(you)(you)(you)箱內的(de)油(you)(you)(you)液溫度不能超過 55~C。
4、 使用操作方法
一、被試閥門的裝夾按該測試臺型號選擇通徑大不的被試閥門(閥門試壓機),調整測試臺的左向工作裝夾位置,將被試的閥門放在測試臺左向夾緊工作臺的密封盤中心,點動 <左徑向進>按鈕,將壓爪進到被試閥門的法蘭背后面的正確位置,按<左軸向緊>按鈕<參照夾緊油缸所需壓力對照表 >中的液壓壓緊系統<增壓>;PN值,按<左向增壓>按鈕,調節<增壓調節閥>,將<左增壓表>;的壓力和夫緊油缸所需壓力對照表中的閥門通徑、壓力、 PN值相同,一切正確后,關閉<;氣總開關、氣表開關泄壓開關>。開<水總開關、左向進水>既可作被試閥門密封測試。
二、水壓、水泵的使用方法
調整水源電接點壓力表,水泵開關<低壓水泵>開,先把被試閥門內部水注滿,低水壓力表為O 5MPa內水已滿,關掉水泵開關<低壓水泵>關。再按<高壓水泵開>調節供水泵壓力調節閥,<供水泵,液壓系統減壓閥J一25B>把液體試壓壓力達到和被試閥門密封壓力及電接點壓力表值相同時,高壓水泵就自動停機,關閉 <;總水開關>。保壓數分鐘后,水壓表無下降,測試密封完畢,開<泄壓開關 >,將被試閥門內的壓力泄壓,<水壓表>為零,可以放松被試閥門或同時繼續進行強度測試。
三、被試閥門強度測試裝夾
閥門密封測試完畢后,繼續進行作強度測試,左向夾緊不變,調整右向測試臺裝夾裝置,按<;移動架進>;按鈕,將移動架一端主盤密封盤,進到被試閥門法蘭的另一端相碰,參照左向程序,把右端壓緊,并對照 <夾緊油缸所需壓力對照表>;中的液壓夾緊系統壓力 <增壓>;PS值相同,開<右向進水>打開被試閥門密封后,參照<=>水壓、水泵使用方法,進行閥門強度測試。
四、被試(shi)(shi)(shi)閥(fa)(fa)門(men)(men)(men)氣(qi)(qi)密(mi)封(feng)測(ce)試(shi)(shi)(shi)方法,<氣(qi)(qi)源用(yong)戶自備連接(jie)(jie)>作氣(qi)(qi)密(mi)封(feng)測(ce)試(shi)(shi)(shi)時,只(zhi)能在左端進(jin)(jin)行密(mi)封(feng)測(ce)試(shi)(shi)(shi)將左邊工作主盤向(xiang)上(shang)旋轉90度(du)平面,接(jie)(jie)<;向(xiang)上(shang)旋轉>按鈕,接(jie)(jie)<1>步驟程度(du),將被式(shi)閥(fa)(fa)門(men)(men)(men)裝夾完畢,關(guan)閉水總(zong)開(kai)(kai)關(guan)、泄(xie)壓(ya)開(kai)(kai)關(guan)、右(you)向(xiang)進(jin)(jin)水。開(kai)(kai)c氣(qi)(qi)總(zong)開(kai)(kai)關(guan)、氣(qi)(qi)表開(kai)(kai)關(guan),向(xiang)被試(shi)(shi)(shi)閥(fa)(fa)立刻另一端內,注入清水,觀察被試(shi)(shi)(shi)閥(fa)(fa)門(men)(men)(men)內的(de)密(mi)封(feng)性能及氣(qi)(qi)泡。測(ce)試(shi)(shi)(shi)完畢關(guan)閉 <氣(qi)(qi)總(zong)開(kai)(kai)關(guan)>開(kai)(kai)<泄(xie)壓(ya)開(kai)(kai)關(guan)>,氣(qi)(qi)壓(ya)表壓(ya)力(li)為零后,再將被試(shi)(shi)(shi)閥(fa)(fa)門(men)(men)(men)卸下。
5、測試臺公稱壓力試驗范圍圖表對照
5.1 JWZ-100型 閥門公稱通徑與公稱壓力(li)試驗范圍
The test range of valve nominal diameter and nominal pressure for JWZ-100 model


5.3 JWZ-300型 閥門公稱通徑與公稱壓力試(shi)驗(yan)范圍
The test range of valve nominal diameter and nominal pressure for JWZ-300 model

5.4 JWZ-400型 (特(te)制型)閥門公稱(cheng)通徑與公稱(cheng)壓力試驗(yan)范圍
The test range of valve nominal diameter and nominal pressure for JWZ-400 model (handtailor)

5.5 JWZ-400型 閥門公稱(cheng)(cheng)通徑與(yu)公稱(cheng)(cheng)壓力試驗(yan)范(fan)圍
The test range of valve nominal diameter and nominal pressure for JWZ-400 model

5.6 JWZ-500型 閥門(men)公稱通(tong)徑與公稱壓力試(shi)驗范(fan)圍
The test range of valve nominal diameter and nominal pressure for JWZ-500 model

5.7 JWZ-600型 閥門公稱通(tong)徑與公稱壓力試驗范圍
The test range of valve nominal diameter and nominal pressure for JWZ-600 model

5.8 JWZ-800型(xing) 閥門公稱(cheng)通徑與(yu)公稱(cheng)壓力試驗范圍
The test range of valve nominal diameter and nominal pressure for JWZ-800 model

5.9 JWZ-1000型 閥門公稱(cheng)通徑與公稱(cheng)壓力試驗范圍
The test range of valve nominal diameter and nominal pressure for JWZ-1000 model

6、JWZ型液壓系統原(yuan)理(li)圖(tu)

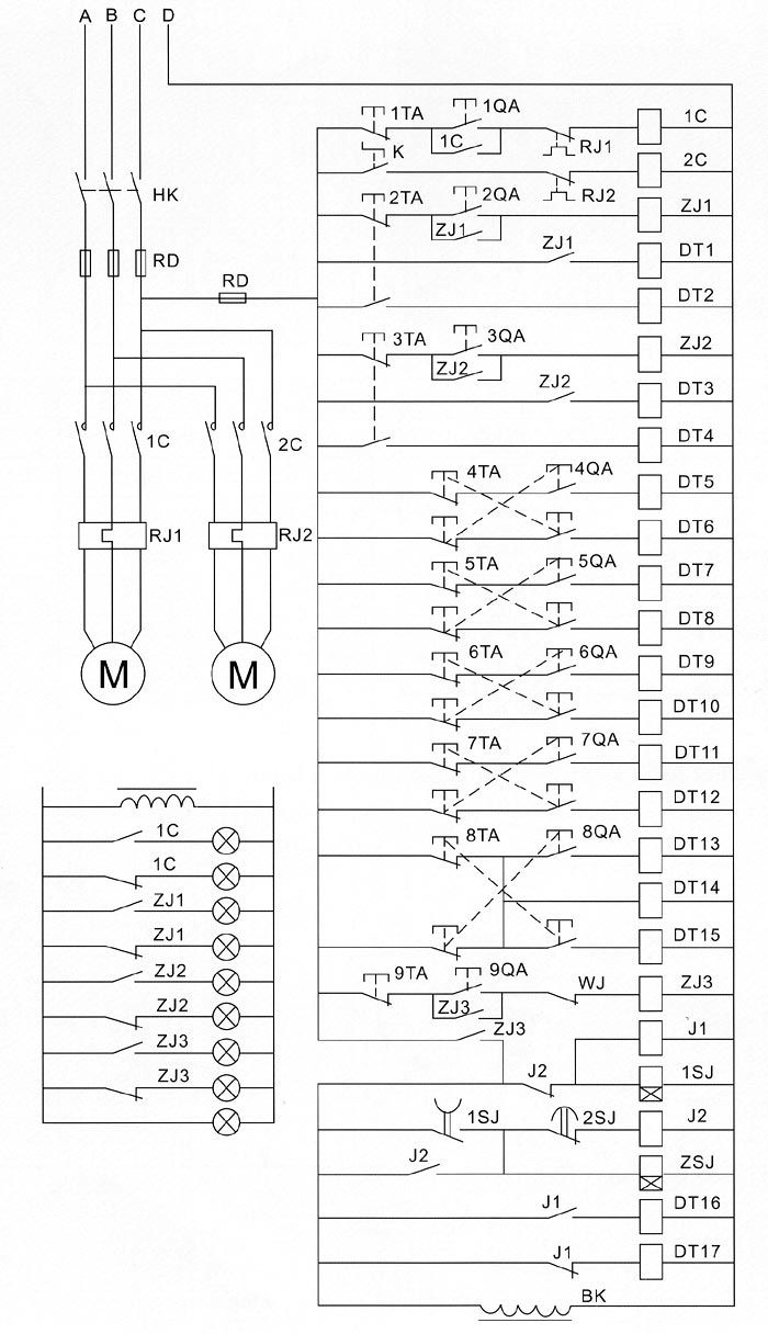
7. 電器原理(li)圖

電器(qi)原理序號


8、JWZ型水(shui)氣管(guan)路原(yuan)理圖(tu)

9、JWZ型(xing)壓力對照表












